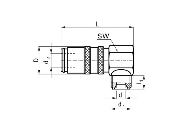
Messing Kupplung 90° DN06 mit Aussengewinde G1/4 und Absperrventil
Messing Kupplung 90° DN06 mit Aussengewinde G1/4 und Absperrventil

Messing Kupplungen D

Messing Kupplung 90° DN06 mit Aussengewinde G1/4 und Absperrventil

Betriebstemperatur: Wasser -15°C bis +150°C; Öl -15°C bis +180°C
Betriebsdruck (statisch): 15 bar

Bei Dauerbetrieb über 150°C sollte eine exakte Abklärung der nötigen Ausführung erfolgen.

Auf Anfrage auch andere Dimensionen erhältlich.
Artikel­nummerdDLI1d1d2SWStück­preis CHF
CB06MD1103V14617459G1/4"9.41715.30
CB06MD1103V38617459G3/8"9.41916.50
CB09MD1103V389225411G3/8"13.52217.70

Werkstoffe

Anschlussstücke, Ventilkörper, Ventil: Messing 58 blank
Entriegelungshülse: Messing 58 blank
Kugeln: Edelstahl 1.4034
Federn, Sperring: Edelstahl 1.4310
Dichtung: FKM ( PTFE-beschichtet )

Für Beratung und Bestellung:

Diese Website verwendet Cookies und Analysetools, um die Nutzerfreundlichkeit der Website zu verbessern. Datenschutzerklärung