Messing Kupplung 90° DN06 mit Aussengewinde G3/8 ohne Absperrventil
Messing Kupplung 90° DN06 mit Aussengewinde G3/8 ohne Absperrventil

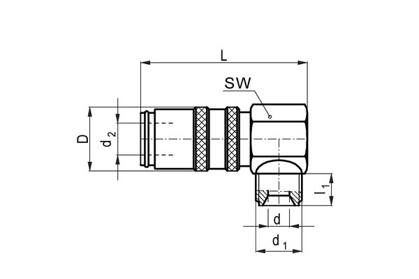
Messing Kupplungen Form H

Messing Kupplung 90° DN06 mit Aussengewinde G3/8 ohne Absperrventil

Betriebstemperatur: Wasser -15°C bis +160°C; Öl -15°C bis +200°C
Betriebsdruck (statisch): 15 bar

Bei Dauerbetrieb über 160°C sollte eine exakte Abklärung der nötigen Ausführung erfolgen. Sonderdichtringe auf Anfrage
Artikel­nummerdDLI1d1d2SWStück­preis CHF
CB06M1103-146184911G1/4"91712.00
CB06M1103-386184911G3/8"91713.00
CB06M1103-14156184911M14x1.591712.00
CB09M1103-14923.5549G1/4"132218.50
CB09M1103-38923.55411G3/8"132215.00
CB09M1103-1615923.55411M16x1.5132215.00
CB13M1103-341332.58018G3/4"193046.50
CB13M1103-24151332.58016M24x1.5193046.50

Werkstoffe

Anschlussstücke, Ventilkörper, Ventil: Messing 58 blank
Entriegelungshülse: Messing 58 vernickelt
Kugeln: Edelstahl 1.4034
Federn, Sperring: Edelstahl 1.4310
Dichtung: FKM ( PTFE-beschichtet )

Für Beratung und Bestellung:

Diese Website verwendet Cookies und Analysetools, um die Nutzerfreundlichkeit der Website zu verbessern. Datenschutzerklärung