Messing Kupplungsnippel gerade DN06 mit Innengewinde G1/8 ohne Absperrventil
Messing Kupplungsnippel gerade DN06 mit Innengewinde G1/8 ohne Absperrventil

Push Lock Kupplungen H

Messing Kupplungsnippel gerade DN06 mit Innengewinde G1/8 ohne Absperrventil

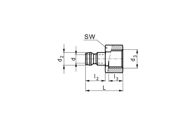
Artikel­nummerdLI2I3d2d3SWStück­preis CHF
CB06M2101-186271499G1/8"141.70
CB06M2101-146271499G1/4"171.70
CB09M2101-38926141013G3/8"222.40
CB09M2101-12929141213G1/2"243.50

Werkstoffe

Metrische Gewinde: Messing 58 blank
Zoll Gewinde: Messing 58 vernickelt

Für Beratung und Bestellung:

Diese Website verwendet Cookies und Analysetools, um die Nutzerfreundlichkeit der Website zu verbessern. Datenschutzerklärung