Messing Kupplung 90° DN09 mit Aussengewinde G3/8 und Absperrventil
Messing Kupplung 90° DN09 mit Aussengewinde G3/8 und Absperrventil

TempSecure Kupplungen

Messing Kupplung 90° DN09 mit Aussengewinde G3/8 und Absperrventil

TempSecure TM = Patentierte Temperier-Schnellverschluss-Kupplungssystem verfügt über eine automatische Sicherheitsverriegelung und bietet eine effektive Lösung gegen unbeabsichtigtes Entkuppeln und Entriegeln.

Hochwertige Hitec-FKM-Dichtungen machen die Kupplung vor allem bei hohen Temperaturen zu einem idealen Medienträger.


Betriebstemperatur: Wasser/Öl -15°C bis +180°C
Betriebsdruck (statisch): 15 bar

Bei Dauerbetrieb über 160°C sollte eine exakte Abklärung der nötigen Ausführung erfolgen.
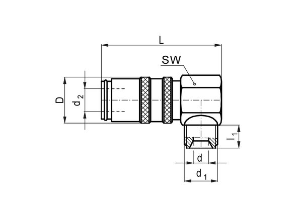
Artikel­nummerdDLI1d1d2SWStück­preis CHF
CB06MTS1103V146185616G1/491727.00
CB09MTS1103V38923.555.518G3/8132231.50

Werkstoffe

Anschlussstücke, Ventilkörper, Ventil: Messing 58 blank
Entriegelungshülse: Sondermessing vernickelt
Kugeln: Edelstahl 1.4034
Federn, Sperring: Edelstahl 1.4310
Dichtung: Hitec-FKM

Auf Anfrage auch in Edelstahl erhältlich.

Für Beratung und Bestellung:

Diese Website verwendet Cookies und Analysetools, um die Nutzerfreundlichkeit der Website zu verbessern. Datenschutzerklärung